氣動截止閥

氣動截止閥 工作原理
氣動截止閥J641W通過氣缸來,利用上腔進氣或者下腔進氣來遠距離控制閥門,操作方便、靈活。氣缸使用介質:壓縮空氣,氮氣。結構簡單、制造和維護 方便;工作行程小,啟閉時間短;關閉體(閥瓣)與閥座密封面采用錐面密封,關閉力小,耐沖刷,密封可靠。
氣動截止閥 結構特點
1、選材考究,符合國內、外相關標準,結構合理,造型美觀。
2、閥瓣、閥座密封面采用鐵基合金堆焊或司太立(Stellite)鈷基硬質合金堆焊而成,耐磨、耐高溫、耐腐蝕、抗擦傷性能好,使用壽命長。
4、閥桿經調質及表面氮化處理,有良好的抗腐蝕性和抗擦傷性。
5、可采用各種配管法蘭標準及法蘭密封面型式,滿足各種工程需要及用戶要求。
6、閥體材料品種齊全,填料、墊片可根據實際工況或用戶要求合理選配,能適用于各種壓力、溫度及介質工況。
7、倒密封采用螺紋連接密封座或本體堆焊奧氏體不銹鋼而成,密封可靠,更換填料可在不停機情況下進行,方便快捷,不影響系統運行。
氣動截止閥 應用規范
氣動截止閥 主要零件材料及主要用途
氣動截止閥 主要外形尺寸、連接尺寸及質量
氣動截止閥J641W通過氣缸來,利用上腔進氣或者下腔進氣來遠距離控制閥門,操作方便、靈活。氣缸使用介質:壓縮空氣,氮氣。結構簡單、制造和維護 方便;工作行程小,啟閉時間短;關閉體(閥瓣)與閥座密封面采用錐面密封,關閉力小,耐沖刷,密封可靠。
氣動截止閥 結構特點
1、選材考究,符合國內、外相關標準,結構合理,造型美觀。
2、閥瓣、閥座密封面采用鐵基合金堆焊或司太立(Stellite)鈷基硬質合金堆焊而成,耐磨、耐高溫、耐腐蝕、抗擦傷性能好,使用壽命長。
4、閥桿經調質及表面氮化處理,有良好的抗腐蝕性和抗擦傷性。
5、可采用各種配管法蘭標準及法蘭密封面型式,滿足各種工程需要及用戶要求。
6、閥體材料品種齊全,填料、墊片可根據實際工況或用戶要求合理選配,能適用于各種壓力、溫度及介質工況。
7、倒密封采用螺紋連接密封座或本體堆焊奧氏體不銹鋼而成,密封可靠,更換填料可在不停機情況下進行,方便快捷,不影響系統運行。
氣動截止閥 應用規范
| 設計與制造 | GB/T12235 | |
| 連接端尺寸 | 結構長度 | GB/T12221 |
| 法蘭尺寸 | JB/T79 | |
| 檢驗與試驗 | JB/T9092 | |
| 材 料 | 碳鋼 | GB/T12229 |
| 不銹鋼 | GB/T12230 | |
| 合金鋼 | Q/ZB66 | |
| 標 志 | GB/T12220 | |
| 供 貨 | JB/T7928 | |
氣動截止閥 主要零件材料及主要用途
| 閥體 | 閥蓋 | 閥瓣 | 密封圈 | 閥桿 | 填料 | 適用介質 | 適用溫度 |
| (≤℃) | |||||||
| WCB | WCB+D507MO | D577 | 2Crl3 | 柔性石墨 | 水、油品、蒸汽 | 425 | |
| ZGlCrl8Ni9Ti | 0Crl8Ni9Ti | Stellite6 | lCrl8Ni9Ti | PTFE | 硝酸類 | 200 | |
| Stellite12 | |||||||
| ZGlCrl8Ni2Mo2Ti | CF8M | lCrl8Ni2Mo2Ti | lCrl8Ni2Mo2Ti | PTFE | 磷酸類、 | 200 | |
| Stellite12 | 堿類、混酸 | ||||||
| ZG00Crl7Nil4M02 | CF3M | Stel1ite6 | 316L | PTFE | 磷酸類、 | 200 | |
| Stellite12 | 尿素、甲銨液 | ||||||
| ZGlCr5MO | ZGlCr5MO | Stel1ite6 | 25Cr2Mo1VA | 柔性石墨 | 水、油品、蒸汽 | 550 | |
| Stellite12 | |||||||
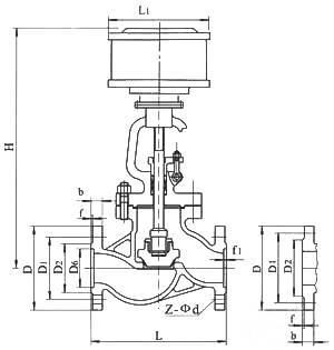
氣動截止閥 主要外形尺寸、連接尺寸及質量
| 公稱壓力 | 公稱通徑 | 標準值 | 參考值 | |||||||||
| PN(MPa) | DN(mm) | L | D | D1 | n2 | D6 | b | f | f1 | Z-φd | L1 | H |
| 1.6 | 50 | 230 | 160 | 125 | 100 | 16 | 3 | 4-φ18 | 185 | 645 | ||
| 65 | 290 | 180 | 145 | 120 | 18 | 3 | 4-φ18 | 232 | 690 | |||
| 80 | 310 | 195 | 160 | 135 | 20 | 3 | 8-φ18 | 232 | 715 | |||
| 100 | 350 | 215 | 180 | 155 | 20 | 3 | 8-φ18 | 232 | 770 | |||
| 125 | 400 | 254 | 210 | 185 | 22 | 3 | 8-φ18 | 283 | 780 | |||
| 150 | 480 | 280 | 240 | 210 | 24 | 3 | 8-φ23 | 283 | 810 | |||
| 200 | 600 | 335 | 295 | 265 | 26 | 3 | 12-φ23 | 283 | 967 | |||
| 250 | 622 | 405 | 355 | 320 | 30 | 3 | 12-φ25 | 283 | 1143 | |||
| 300 | 698 | 460 | 410 | 375 | 30 | 4 | 12-φ25 | 283 | 1292 | |||
| 2.5 | 50 | 230 | 160 | 125 | 100 | 20 | 3 | 4-φ18 | 185 | 645 | ||
| 65 | 290 | 180 | 145 | 120 | 22 | 3 | 8-φ18 | 232 | 690 | |||
| 80 | 310 | 195 | 160 | 135 | 22 | 3 | 8-φ18 | 232 | 715 | |||
| 100 | 350 | 230 | 190 | 160 | 24 | 3 | 8-φ23 | 232 | 770 | |||
| 125 | 400 | 270 | 220 | 188 | 28 | 3 | 8-φ25 | 283 | 780 | |||
| 150 | 480 | 300 | 250 | 218 | 30 | 3 | 8-φ25 | 283 | 810 | |||
| 200 | 600 | 360 | 310 | 278 | 34 | 3 | 12-φ25 | 283 | 967 | |||
| 250 | 622 | 425 | 370 | 332 | 36 | 3 | 12-φ30 | 283 | 1143 | |||
| 300 | 698 | 485 | 430 | 390 | 40 | 4 | 16-φ30 | 283 | 1292 | |||
| 4 | 50 | 230 | 160 | 125 | 100 | 88 | 20 | 3 | 4 | 4-φ18 | 185 | 645 |
| 65 | 290 | 180 | 145 | 120 | 110 | 22 | 3 | 4 | 8-φ18 | 232 | 690 | |
| 80 | 310 | 195 | 160 | 135 | 121 | 22 | 3 | 4 | 8-φ18 | 232 | 715 | |
| 100 | 350 | 230 | 190 | 160 | 150 | 24 | 3 | 4.5 | 8-φ23 | 232 | 770 | |
| 125 | 400 | 270 | 220 | 188 | 176 | 28 | 3 | 4.5 | 8-φ25 | 283 | 782 | |
| 150 | 480 | 300 | 250 | 218 | 204 | 30 | 3 | 4.5 | 8-φ25 | 283 | 875 | |
| 200 | 600 | 375 | 320 | 282 | 260 | 38 | 3 | 4.5 | 12-φ30 | 283 | 1160 | |





