柱塞閥

UJ41H/F型柱塞閥由于密封圈采用新型非金屬材料制成,具有經受長期高溫、高壓而不喪失彈性的性能,而且柱塞與密封圈之間的接觸面積大,再者,密封圈系混合材料性能好,因此,密封可靠,經久耐用。主要適用于冶金、電業、化工、煉油、化肥、輕工、食品等行業中。
產品特點
1、在閥門中柱塞與密封采用過盈配合,通過調節中法蘭螺栓預緊力,使密封環壓縮所產生的側向力與閥體中孔面及柱塞外圓密封 ,從而保證了閥門的密封性,杜絕了外泄漏
2、由于密封環采用回彈性強、耐磨性高的無毒新型密封材料,所以密封可靠,經久耐用,從而提高閥門的使用壽命
3、本閥門結合柱塞閥的無泄漏優點和截止閥啟閉快的特點,成為一種結構新穎,用途廣泛的新品種
執行標準
設計標準:GB12233-89、12235-89
結構長度:GB12221-89
法蘭連接:GB79-59、GB113.1~9113.26
試驗與檢驗:GB13927
產品型號
產品性能規范
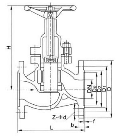
主要外形連接尺寸
結構圖片

產品特點
1、在閥門中柱塞與密封采用過盈配合,通過調節中法蘭螺栓預緊力,使密封環壓縮所產生的側向力與閥體中孔面及柱塞外圓密封 ,從而保證了閥門的密封性,杜絕了外泄漏
2、由于密封環采用回彈性強、耐磨性高的無毒新型密封材料,所以密封可靠,經久耐用,從而提高閥門的使用壽命
3、本閥門結合柱塞閥的無泄漏優點和截止閥啟閉快的特點,成為一種結構新穎,用途廣泛的新品種
執行標準
設計標準:GB12233-89、12235-89
結構長度:GB12221-89
法蘭連接:GB79-59、GB113.1~9113.26
試驗與檢驗:GB13927
產品型號
| 材質 | 型號 |
| WCB | UJ41H-16C,UJ41H-25,UJ41H-40,UJ41HF-64,UJ41H-100 |
| 304SS | UJ41H-16P,UJ41H-25P,UJ41H-40P,UJ41HF-64P,UJ41H-100P |
| 316SS | UJ41H-16R,UJ41H-25R,UJ41H-40R,UJ41HF-64R,UJ41H-100R |
產品性能規范
| 柱塞閥性能規范 | ||||||
| 型號 | UJ41H-16 | UJ41H-25 | UJ41H-40 | UJ41H-64 | UJ41H-100 | |
| 公稱壓力(MPa) | 1.6 | 2.5 | 4 | 6.4 | 10 | |
| 密封試驗壓力(MPa) | 1.76 | 2.75 | 6 | 7.1 | 11 | |
| 殼體試驗壓力(MPa) | 2.4 | 3.75 | 4.4 | 9.6 | 15 | |
| 適用溫度(℃) | ≤350℃ | |||||
| 材料 | 閥體、柱塞、閥蓋、支架 | WCB,CF8,CF3 | ||||
| 填料 | 柔性石墨,聚四氟乙烯 | |||||
| 手輪 | QT450-10 | |||||
| 閥桿螺母 | ZCuA110Fe3 | |||||
| 閥桿 | 2Cr13,304SS | |||||
| 墊片 | 柔性石墨 | |||||
主要外形連接尺寸
| 公稱壓力 | 公稱通徑 | 主要外形尺寸和連接尺寸 | ||||||
| L | D | D1 | D2 | b | Z-d | D0 | ||
| PN16,PN25 | 15 | 130 | 95 | 65 | 45 | 14 | 4-14 | 80 |
| 20 | 150 | 105 | 75 | 55 | 14 | 4-14 | 100 | |
| 25 | 160 | 115 | 85 | 65 | 14 | 4-14 | 120 | |
| 32 | 180 | 135 | 100 | 78 | 16 | 4-18 | 140 | |
| 40 | 200 | 145 | 110 | 85 | 16 | 4-18 | 160 | |
| 50 | 230 | 160 | 125 | 100 | 16 | 4-18 | 180 | |
| 65 | 290 | 180 | 145 | 120 | 18 | 4-18 | 220 | |
| 80 | 310 | 195 | 160 | 135 | 20 | 8-18 | 240 | |
| 100 | 350 | 215 | 180 | 155 | 20 | 8-18 | 280 | |
| 125 | 400 | 245 | 210 | 185 | 22 | 8-18 | 320 | |
| 150 | 480 | 280 | 240 | 210 | 24 | 8-23 | 350 | |
| 200 | 600 | 335 | 295 | 265 | 26 | 12-23 | 450 | |
| 250 | 650 | 405 | 355 | 320 | 30 | 12-25 | 500 | |
| 300 | 750 | 460 | 410 | 375 | 30 | 12-25 | 560 | |
| 350 | 850 | 520 | 470 | 435 | 34 | 16-25 | 640 | |
| 400 | 950 | 580 | 525 | 485 | 36 | 16-30 | 720 | |
| PN40 | 15 | 130 | 95 | 65 | 45 | 16 | 4-14 | 80 |
| 20 | 150 | 105 | 75 | 55 | 16 | 4-14 | 100 | |
| 25 | 160 | 115 | 85 | 65 | 16 | 4-14 | 120 | |
| 32 | 180 | 135 | 100 | 78 | 18 | 4-18 | 140 | |
| 40 | 200 | 145 | 110 | 85 | 18 | 4-18 | 160 | |
| 50 | 230 | 160 | 125 | 100 | 20 | 4-18 | 180 | |
| 65 | 290 | 180 | 145 | 120 | 22 | 8-18 | 220 | |
| 80 | 310 | 195 | 160 | 135 | 22 | 8-18 | 240 | |
| 100 | 350 | 230 | 190 | 160 | 24 | 8-23 | 280 | |
| 125 | 400 | 270 | 220 | 188 | 28 | 8-25 | 320 | |
| 150 | 480 | 300 | 250 | 218 | 30 | 8-25 | 350 | |
| 200 | 600 | 375 | 320 | 282 | 38 | 12-30 | 450 | |
| 250 | 650 | 445 | 385 | 345 | 42 | 12-34 | 500 | |
| 300 | 750 | 510 | 450 | 408 | 46 | 16-34 | 560 | |
| 350 | 850 | 570 | 510 | 465 | 52 | 16-34 | 640 | |
| 400 | 950 | 655 | 585 | 535 | 58 | 16-41 | 720 | |
結構圖片






