電動對夾蝶閥

電動蝶閥中線型結構,由閥體、內襯里層(聚四氟乙烯或橡膠)和(不銹鋼閥板或球墨鑄鐵鍍鎳)、閥軸組成,其介質流線型的結構設計近似于直線,調節性能好,密封結構為居中心線型密封,密封性能可靠達到雙向密封零泄漏,可以任意位置安裝。廣泛適用于氣體、液體、混濁液體、濃漿液或灰粉、懸浮顆粒類等介質
產品特點
電動蝶閥操作力矩小,是所有閥類中操作力矩小的一種,是自動化控制系統中儀表的執行單元,以AC220V、AC380V或DC24V電源電壓作動力,接受來自(DCS、PLC)系統或調節儀表、操作器等輸入的(4-20mA、0-10mA或1-5VDC)電流信號或電壓信號,即可控制運轉。以角行程輸出的扭矩轉動閥軸0~90o,就能完成啟閉動作或調節動作。全電子式電動執行機構,采用機電一體化結構,具有機內伺服操作和開度信號位置反饋、位置指示、手動操作等功能,功能強、性能可靠、連線簡單、控制精確、體積小、重量輕、流阻小、流量系數大,結構簡單、密封性能好。調節范圍大,通過輸入電流信號或電壓信號,將此轉變成與輸入信號相對應的位移,改變閥板的旋轉角度(0-90o任意角度),因此一定的輸入信號對應一定的轉角,實現比例動作,故有較好的調節控制流量等參數。
產品結構
執行機構主要性能技術參數
主要零件材料及適用溫度
襯里材料選用和適用溫度
流量特性圖表
主要技術參數和性能指標
應用規范
主要連接連接尺寸表
產品特點
電動蝶閥操作力矩小,是所有閥類中操作力矩小的一種,是自動化控制系統中儀表的執行單元,以AC220V、AC380V或DC24V電源電壓作動力,接受來自(DCS、PLC)系統或調節儀表、操作器等輸入的(4-20mA、0-10mA或1-5VDC)電流信號或電壓信號,即可控制運轉。以角行程輸出的扭矩轉動閥軸0~90o,就能完成啟閉動作或調節動作。全電子式電動執行機構,采用機電一體化結構,具有機內伺服操作和開度信號位置反饋、位置指示、手動操作等功能,功能強、性能可靠、連線簡單、控制精確、體積小、重量輕、流阻小、流量系數大,結構簡單、密封性能好。調節范圍大,通過輸入電流信號或電壓信號,將此轉變成與輸入信號相對應的位移,改變閥板的旋轉角度(0-90o任意角度),因此一定的輸入信號對應一定的轉角,實現比例動作,故有較好的調節控制流量等參數。
產品結構
| 型 號 | 輸出力矩N.m | 動作時間S/90o | 功率 |
| (W) | |||
| HL-5 | 50 | 10月30日 | 10W/F |
| HL-10 | 100 | 15/30 | 23W/F |
| HL-20 | 200 | 10/15/30 | 40W/F |
| HL-40 | 400 | 10/15/30 | 80W/F |
| HL-50 | 500 | 10/15/30 | 90W/F |
| HL-100 | 1000 | 50 | 100W/F |
| HL-200 | 2000 | 100 | 100W/F |
| (信號線用屏蔽線) 防護等級:IP65 帶曲柄手動操作 電源:AC220V/AC380V/DC24V | |||
| 型號 | 輸出力矩N.m | 動作時間S/90 | 功率(W) |
| 381RSA-02 | 20 | 8.5 | 50 |
| 381RSA-05 | 50 | 17 | |
| 381RSB-10 | 100 | 18 | 150 |
| 381RSB-20 | 200 | 36 | |
| 381RSC-30 | 300 | 24 | 220 |
| 381RSC-50 | 500 | 42 | |
| 381RSC-60 | 600 | 48 | |
| 381RSD-100 | 1000 | 30 | 300 |
| 381RSD-150 | 1500 | 38 | |
| 381RSD-200 | 2000 | 46 | |
| (信號線用屏蔽線) 防護等級:IP55 隔爆標志:ExdⅡBT4 帶曲柄手動操作,隔爆(381RX)型性能同上 電源電壓:AC220V | |||
| 型號 | 輸出力矩N.m | 動作時間S/90 | 功率(W) |
| PSQ51 | 50 | 23 | 24.2 |
| PSQ66 | 65 | 32 | 24.2 |
| PSQ76 | 75 | 60 | 25.3 |
| PSQ102 | 100 | 32 | 62.1 |
| PSQ202 | 200 | 28 | 93 |
| PSQ502 | 500 | 43 | 120 |
| PSQ702 | 700 | 43 | 120 |
| PSQ1202 | 1200 | 31/37 | 500 |
| PSQ2002 | 2000 | 93/112 | 500 |
| (信號線用屏蔽線)防護等級:IP65 帶手輪操作 電源電壓:AC220V | |||
主要零件材料及適用溫度
| 零件名稱 | 材料 |
| 閥體 | 鑄鐵、碳鋼(WCB)、不銹鋼(304、316) |
| 蝶板 | 球墨鑄鐵鍍鎳、不銹鋼(304、316) |
| 襯里材料 | 各種橡膠、聚四氟乙烯 |
| 閥桿 | 2Cr13、不銹鋼(304、316) |
| 填料 | 橡膠O型圈、四氟乙烯V型圈、柔性石墨 |
襯里材料選用和適用溫度
| 材料品種 | 丁晴橡膠 | 乙丙橡膠 | 聚四氟乙烯 | 氟橡膠 | 天然橡膠 | 氯丁橡膠 |
| 英語簡稱 | NBR | EPDM | PTFE | VITON | NR | CR |
| 型號代號 | XA或JA | XB或JB | F或XC、 | XE或JE | X1 | X或J |
| 耐最高溫度 | 93℃ | 150℃ | 232℃ | 204℃ | 85℃ | 82℃ |
| 耐最低溫度 | -40℃ | -40℃ | -268℃ | -23℃ | -20℃ | -40℃ |
| 適用工作溫度 | -20~+82℃ | -40~+125℃ | -30~+150℃ | -23~+150℃ | -20~+85℃ | 0~+80℃ |
流量特性圖表
| 公稱通徑D(mm) | 40 | 50 | 65 | 80 | 100 | 125 | 150 | 200 | 250 | 300 | 350 | 400 | 450 | 500 | 600 | 700 | ||
| 公稱壓力PN(MPa) | 0.6、1.0、1.6 | |||||||||||||||||
| 流量特性 | 近似等百分比(參見典型曲線圖)、直線特性、 | |||||||||||||||||
| 閥板轉角(度) | 0°~至90°(可調) | |||||||||||||||||
| 允許泄漏量等級 | 軟密封:零泄露 硬密封:≤額定Cv×0.001% | 軟密封:VI微氣泡級,金屬密封≤額定CV×0.065% | ||||||||||||||||
| 執行器型號 | HL、3810R、PSQ HQ或QB型 | |||||||||||||||||
| 作用形式 | 開關型、智能調節型、(隔爆型) | |||||||||||||||||
| 電源電壓 | AC220V 50Hz或AC380V 50Hz | |||||||||||||||||
| 調節型 | 輸入信號 | DC4~20mA DC0~10mA 1-5V DC | ||||||||||||||||
| 輸出信號 | DC4~20mA DC0~10mA 1-5V DC | |||||||||||||||||
| 基本誤差 | ≤±2.5% | |||||||||||||||||
| 回 差 | ≤±2.5% | |||||||||||||||||
| 死 區 | ≤1% | |||||||||||||||||
| 可調節比 | 250:01:00 | |||||||||||||||||
| 開關型 | 電源電壓 | AC220V/AC380V/AC110V/DC24V | ||||||||||||||||
| 反饋信號 | 有源觸點信號、無源觸信號 | |||||||||||||||||
應用規范
| 設計制造標準 | 法蘭尺寸標準 | 結構長度標準 | 檢驗試驗標準 |
| GB/ T12 238 -89 | JB/T79 -94 HG2 0592 | GB122 21-89 | GB/ T13927- 89 JB/ T9092- 99 |
| MSS-SP-68 | ANSI B16.5 | ISO 5752 -13 | ZJB1 6006 -90 |
| JIS B2024 | JIS B2212 ~ 2215 | JIS B2002 | JIS B2003 |
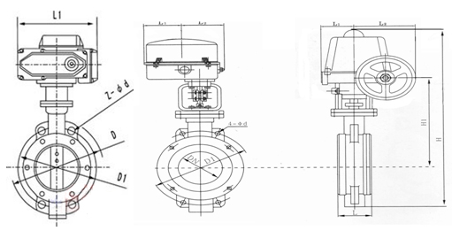
主要連接連接尺寸表
| 公稱通徑(DN) | L | D1 | D | z-φd | H1 |
| 50 | 43 | 125 | 165 | 4月23日 | 63 |
| 65 | 46 | 145 | 185 | 4-26.5 | 70 |
| 80 | 46 | 160 | 200 | 8月18日 | 83 |
| 100 | 52 | 180 | 220 | 4-24.5 | 105 |
| 125 | 56 | 210 | 250 | 4月23日 | 115 |
| 150 | 56 | 240 | 285 | 4月25日 | 137 |
| 200 | 60 | 295 | 340 | 4-25/23 | 164 |
| 250 | 68 | 350/355 | 395 | 4月29日 | 206 |
| 300 | 78 | 400/410 | 445 | 4月29日 | 230 |
| 350 | 78 | 460/470 | 505 | 4月30日 | 248 |
| 400 | 102 | 515/525 | 565 | 16-26/30 | 289 |
| 450 | 114 | 565/585 | 615 | 4-26/30 | 320 |
| 500 | 127 | 620/650 | 670 | 4-26/33 | 343 |
| 600 | 154 | 725/770 | 780 | 4-30/36 | 413 |
| 700 | 165 | 840 | 895 | 4月30日 | 478 |





